Product Center

产品中心
SY8836 样品申请
概述

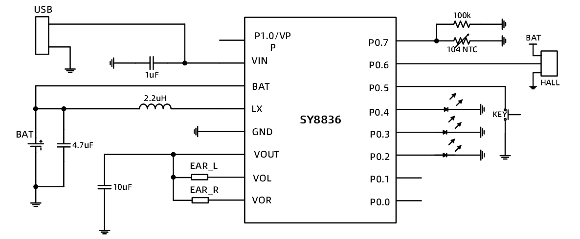
SY8836是专门为TWS耳机充电仓设计的全集成SoC芯片。SY8836内部集成了兼容8051指令集的CPU,256字节RAM, 4k字节OTP程序存储区,多通道10位ADC,9个GPIO,一个线性充电模块,一个Boost升压模块和两个独立放电控制MOS管。SY8836芯片VIN管脚支持过压保护,最高耐压可达35V。 
SY8836为SOP16封装。SY8836为QFN16 3*3封装。

产品特性

兼容8051指令集CPU

256字节RAM

4k字节OTP程序存储空间

2个定时器

1路UART

11.0592MHz时钟频率

1个多通道10位ADC

9个GPIO

3个集成400/800Ω电阻的LED驱动

线性充电,最大充电电流500mA,支持4.2/4.35/4.4/4.45V浮充电压,精度0.5%

5V/500mA的Boost升压转换器

双路独立耳机插拔检测、功率控制和轻载检测

支持霍尔和按键检测

支持NTC功能

VIN快速过压保护(50ns),耐压高达35V

静态功耗: 15uA

封装:SOP16、QFN16 3*3

产品参考应用图
应用

TWS耳机充电仓